搜索
关于我们
产品总汇
新闻资讯
企业资质
客户服务
联系我们
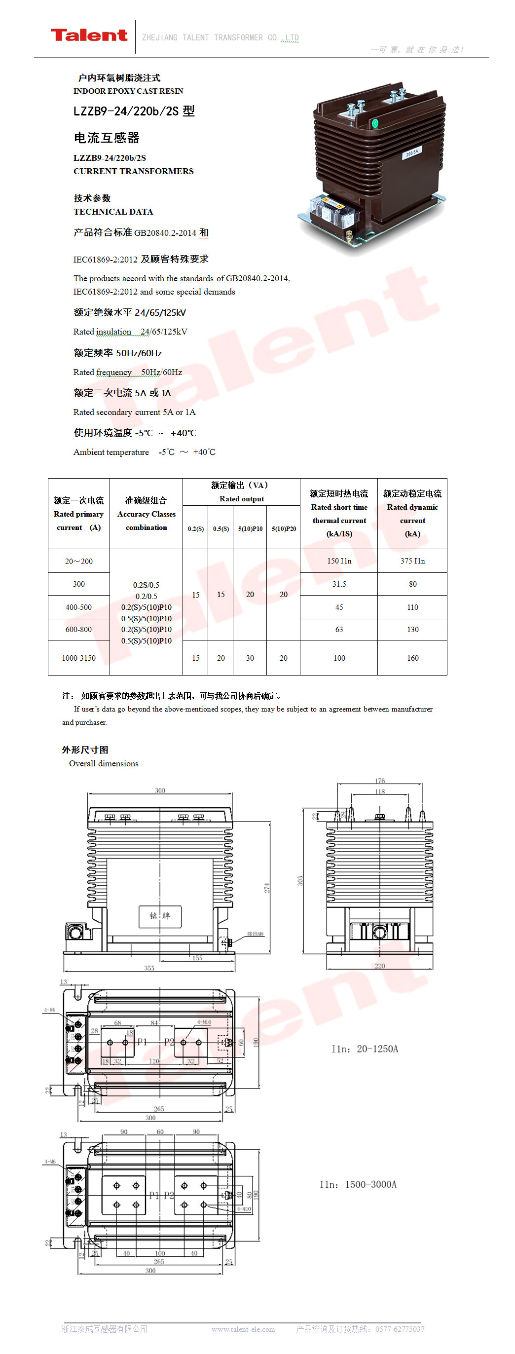
LZZB9-24/220b/2S
一键导航
产品总汇
联系我们