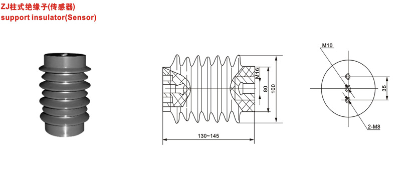
ZJ柱式绝缘子